Indicador de Producto de Combustible Duradero – Para Descarga Inferior de Camiones Cisterna

Inicio / Productos / Accesorios para camiones cisterna de petróleo y productos químicos / Otros Repuestos para Camión Cisterna / Indicador de Producto de Combustible Duradero – Para Descarga Inferior de Camiones Cisterna

Indicador de Producto de Combustible Duradero – Para Descarga Inferior de Camiones Cisterna

Indicador de producto de combustible duradero – para descarga de fondo de camión cisterna

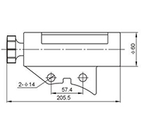
En las operaciones de camiones cisterna, es esencial evitar la mezcla de diferentes tipos de combustible. La serie de indicadores de productos de combustible HBXYQ-NL / HBXYQ-AL está diseñada específicamente para satisfacer esta necesidad. Normalmente se instala junto a la válvula de descarga inferior del camión cisterna de gasolina y muestra claramente el nombre del combustible que se está descargando, lo que reduce el riesgo de errores operativos. El tambor octogonal interno puede contener etiquetas para hasta ocho tipos de combustible diferentes. Cada lado del tambor tiene un retén, lo que permite cambiar fácilmente el nombre del combustible girando el trinquete manual adyacente, lo que garantiza un funcionamiento preciso y confiable.

Esta serie de indicadores de productos combustibles se conoce con varios nombres en todo el mundo. En inglés, se le conoce comúnmente como Indicador de producto combustible, Etiquetador de petróleo o Selector de aceite de camión cisterna; en francés, Indicador de producto petrolier; en alemán, Kraftstoffproduktanzeiger; en español, Indicador de producto de combustible; en italiano, Indicatore di prodotto petrolifero; y en algunos mercados asiáticos se le llama 油品标识器 o 油罐车油品指示盘. Sin importar la ubicación, este dispositivo garantiza una identificación clara y confiable del combustible.

El HBXYQ-NL está hecho de nailon de alta resistencia, mientras que el HBXYQ-AL está fabricado con aleación de aluminio. Ambos diseños cuentan con una estructura liviana y fácil de usar. El modelo de nailon ofrece ligereza y comodidad, mientras que la versión de aleación de aluminio proporciona durabilidad para uso industrial pesado. Ambos mejoran eficazmente la seguridad y la eficiencia de la gestión durante las operaciones de descarga de camiones cisterna.

Al utilizar el indicador de producto de combustible HBXYQ-NL / HBXYQ-AL, los conductores y operadores pueden confirmar rápidamente el tipo de combustible, evitando descargas de combustible incorrectas o mixtas. El dispositivo no sólo simplifica el proceso de descarga sino que también proporciona una indicación visual clara del tipo de combustible, mejorando la precisión operativa.

La elección del indicador de producto de combustible duradero y liviano HBXYQ-NL / HBXYQ-AL garantiza operaciones de descarga de camiones cisterna más seguras y precisas, mejorando la eficiencia de identificación del combustible y brindando una solución clara y confiable para cada tarea de manejo de combustible.

  • Especificación
  • Contáctenos

El predictor de combustible de nailon HBXYQ-NL y el predictor de combustible de aluminio HBXYQ-AL generalmente se instalan junto a la válvula de descarga inferior del camión cisterna de gasolina para indicar el nombre del producto de petróleo que se está descargando, evitando así la mezcla de diferentes productos de petróleo debido a errores operativos. El tambor interno tiene ocho lados para colocar etiquetas con los nombres de ocho productos derivados del petróleo diferentes. Cada lado del tambor tiene un retén, lo que permite cambiar el nombre del producto oleoso girando el trinquete manual adyacente sin desplazamiento. Fabricada en general con material de nailon o aluminio, la estructura es ligera y fácil de usar.

Acerca de Haibo
Zhejiang Haibo Petroleum Equipment Co., Ltd.

Zhejiang Haibo Petroleum Equipment Co., Ltd., establecida en 2017, es una empresa certificada ubicada en el condado de Yongjia, ciudad de Wenzhou, provincia de Zhejiang—, reconocida mundialmente como la base de fabricación de equipos petroleros más grande del mundo y la conocida ciudad natal de bombas y válvulas en China.
Nuestros productos se utilizan ampliamente en sistemas de control de fluidos, sistemas de energía, sistemas de medición, sistemas de tuberías y sistemas hidráulicos, y prestan servicios a compañías petroleras, unidades militares, depósitos de petróleo, fabricantes de camiones cisterna y estaciones de servicio en todo el mundo. Provincia—reconocida mundialmente como la base de fabricación de equipos petroleros más grande del mundo y la conocida ciudad natal de bombas y válvulas en China.
En Haibo, contamos con el respaldo de un equipo de expertos senior de la industria con más de 20 años de experiencia profesional en los sectores de equipos petroleros y control de fluidos. Su profundo conocimiento técnico y su conocimiento de la industria garantizan que cada producto y solución que ofrecemos cumpla con los más altos estándares de calidad, confiabilidad y rendimiento.

Certificado de honor
  • Certificado de patente de modelo de utilidad
  • Certificado de patente de modelo de utilidad
  • Certificado de patente de modelo de utilidad
  • Certificado de patente de modelo de utilidad
Noticias